Mocowanie punktowe szkła 90° rotule 30mm z otworem, AISI 304, SZLIF
Cena regularna:
Cena regularna:
towar niedostępny
dodaj do przechowalni
Opis
Mocowanie punktowe szkła 90° rotule 30mm
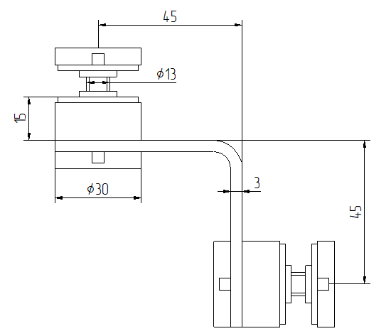
Dane techniczne
| Średnica rotuli/grubość szkła | Ø 30(zakres szkła 6-17,52mm) |
| Powierzchnia | szlifowana |
| Rodzaj stali | AISI 304 |
| Odległość szkła od powierzchni montażu | 15 mm |
| Średnica pręta mocującego | M8 |
| Minimalny otwór w szkle | ø 13mm |
| Montaż do powierzchni | profil (płaska) |
| Regulacja odległości szkła od powierzchni montażu | Nie |
