Kątownik ceownika szkło 21,52 mm, Satin-ELOX, AL. ANOD
Cena regularna:
Cena regularna:
towar niedostępny
dodaj do przechowalni
Opis
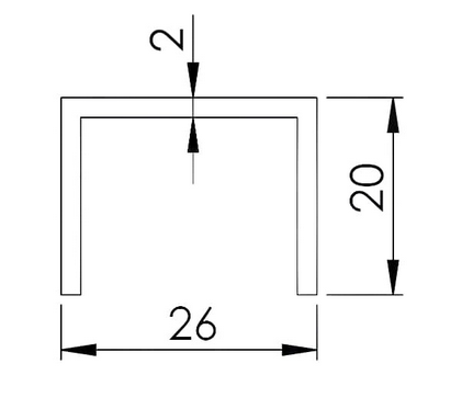
- Kątownik ceownika do szkła 21,52mm
- Wymiar zewnętrzny CEOWNIKA 20/26/20mm
- Montaż bez uszczelki (na silikon)
- Wymiar kątownika 200x200mm
- Grubość blachy 2mm
- Powierzchnia Satin-ELOX
- Materiał: Aluminium anodowane
