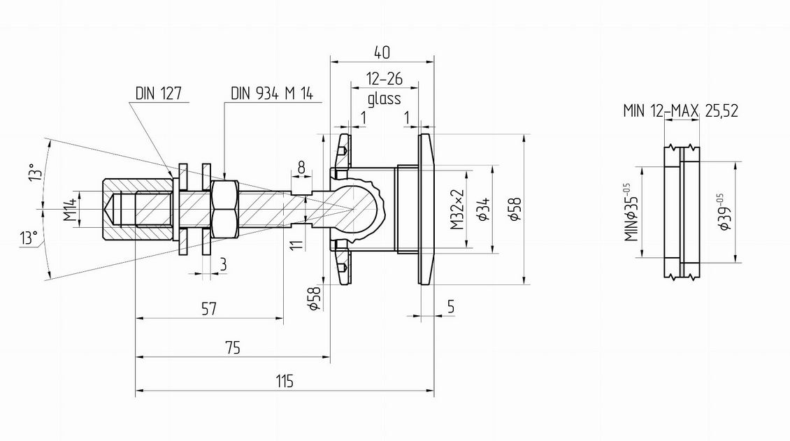
Rotula przegubowa SPU fi 58mm, AISI 304, SZLIF
Cena regularna:
Cena regularna:
towar niedostępny
dodaj do przechowalni
Opis
- Uchwyt przystosowany do mocowania spiderów/szkła.
- Zaprojektowany specjalnie do stabilizacji i mocowania struktur spiderowych w budownictwie
Dane techniczne
| Średnica rotuli/grubość szkła | Ø 60 (zakres szkła 8-21,52mm) |
| Powierzchnia | szlifowana |
| Rodzaj stali | AISI 304 |
| Odległość szkła od powierzchni montażu | Regulowana |
| Średnica pręta mocującego | M14 |
| Minimalny otwór w szkle | ø 8,5mm |
| Montaż do powierzchni | profil (płaska) |
| Regulacja odległości szkła od powierzchni montażu | Tak |
